Stainless steel high pressure socket tee
Stainless steel high pressure socket tee
- Commodity name: Stainless steel high pressure socket tee
Product Introduction

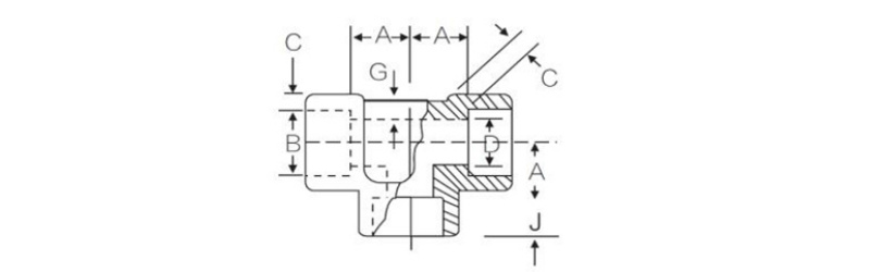
| specification | specification | Total height | Outside diameter | Socket inside diameter B | Jack depth J | Through hole bore D | Center to socket bottom (not shorter than) A | Wall Thickness C | Somatic wall thickness G | Weight KG |
| DN6 | 1/8” | 44 | 23 | 10.5 | 9.5 | 6.1 | 6.1 | 11 | 2.41 | 0.1 |
| DN8 | 1/4” | 44 | 23 | 14.5 | 9.5 | 8.5 | 8.5 | 11 | 3.02 | 0.11 |
| DN10 | 3/8” | 51 | 27.5 | 18.5 | 9.5 | 11.8 | 11.8 | 13.5 | 3.2 | 0.165 |
| DN15 | 1/2” | 56 | 33 | 22.5 | 9.5 | 15 | 15.5 | 5.25 | 3.72 | 0.245 |
| DN20 | 3/4” | 67 | 39 | 27.5 | 12.5 | 20.2 | 19 | 5.75 | 3. 91 | 0.335 |
| DN25 | 1” | 76 | 47 | 34.5 | 12.5 | 25.9 | 22.5 | 6.25 | 4. 55 | 0.535 |
| DH32 | 1 1/4” | 79 | 55.5 | 42.8 | 12.5 | 34.3 | 27 | 6.35 | 4. 85 | 0.82 |
| DN40 | 1 1/2” | 89 | 62.5 | 48.8 | 12.5 | 40.1 | 32 | 6.85 | 5. 08 | 1.07 |
| DN50 | 2" | 108 | 76 | 60.8 | 16 | 51.7 | 38 | 7.6 | 5. 54 | 1.755 |
| DN65 | 2-1/2” | 114 | 92 | 77 | 16 | 61.2 | 41 | 7.5 | 7. 01 | 3.8 |
| DN80 | 3” | 146 | 109 | 90.5 | 16 | 76.4 | 57 | 9.25 | 7. 62 | 5.8 |
| DN100 | 4” | 171 | 138 | 115 | 19 | 100.7 | 66.5 | 11.5 | 8. 56 | 12.5 |
Parameter
| Forged Steel Fittings Specification | ||||||
| Size | 1/8〞(DN6)to 4〞(DN100) | |||||
| Class | 3000LBS,6000LBS, 9000LBS. | |||||
| Connection Form | Socket Welding/Threaded | |||||
| Surface Treatment | Sand Blasting,Cold and Hot Dip Galvanized | |||||
| Manufacturing process | Cutting,Heat treatment,Die Forging/Free Forging,CNC Machining | |||||
| Manufacturing Standards | ASME B16.11,BS 3799,JIS B2316,GB/T14383,SH3410,HG/T21634 | |||||
| Material Grades | ||||||
| Carbon Steel | ASTM/ASNE A105,ASME A350 LF2 LF6 20#,Q235,Q345 | |||||
| Stainless Steel | ASTM F304,F304L,F316,F316L | |||||
| Duplex & Super Duplex Steel | ASTM A182-F51,F53,F55,S31803,S22253,S32205,S22053 | |||||
| Alloy Steel | ASTM F5,F9,F11,F22,F91 | |||||
| Copper Alloy Steel | ASTM/ASME SB466 UNS NO.C70600(CU/NI-90/10),C71500(CU/NI-70/30) | |||||
| Nickel Alloy | ASTM/ASME SB336,ASME SB564/160/163/472,UNS2200(NICKEL200)UNS2201(NICKEL201),UNS4400(MONEL400),UNS8020(ALLOY20/20 CB3),UNS8825 INCONEL(825),UNS6600(INCONEL600),UNS6601(INCONEL601),UNS6625(INCONEL625),UNS10276(HASTELLOY C276) | |||||
Process introduction


About delivery
