Stainless steel high pressure socket half collar
Stainless steel high pressure socket half collar
- Commodity name: Stainless steel high pressure socket half collar
Product Introduction

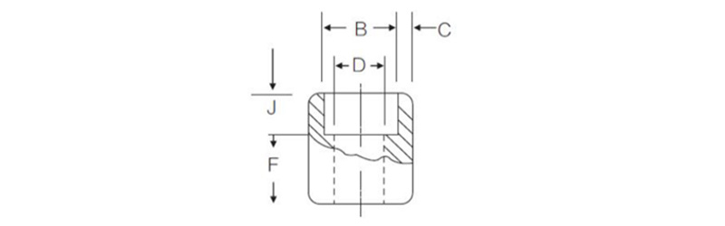
| Specification | Specification | Outside diameter | Socket inside diameter B | Jack depth J | Total height | The first length is F | Through hole bore D | Wall Thickness C | Weight KG |
| DN6 | 1/8” | 17 | 10.5 | 9.5 | 25.5 | 16 | 6.1 | 3.3 | 0.03 |
| DN8 | 1/4” | 22 | 14.5 | 9.5 | 25.5 | 16 | 8.5 | 3.8 | 0.05 |
| DN10 | 3/8” | 26 | 18.5 | 9.5 | 27 | 17.5 | 11.8 | 3.8 | 0.07 |
| DN15 | 1/2” | 32 | 22.5 | 9.5 | 32 | 22.5 | 15 | 4.8 | 0.13 |
| DN20 | 3/4” | 38 | 27.5 | 12.5 | 36.5 | 24 | 20.2 | 5.3 | 0.19 |
| DN25 | 1” | 46 | 34.5 | 12.5 | 41 | 28.5 | 25.9 | 5.8 | 0.30 |
| DN32 | 1 1/4” | 57 | 42.8 | 12.5 | 42.5 | 30 | 34.3 | 7.1 | 0.45 |
| DN40 | 1 1/2” | 62 | 48.8 | 12.5 | 44.5 | 32 | 40.1 | 6.6 | 0.50 |
| DN50 | 2” | 76 | 60.8 | 16 | 57 | 41 | 51.7 | 7.6 | 0.89 |
| DN65 | 2-1/2” | 92 | 77 | 16 | 59 | 43 | 61.2 | 7.5 | 1.35 |
| DN80 | 3” | 108 | 90.5 | 16 | 60.5 | 44.5 | 76.4 | 8.8 | 1.73 |
| DN100 | 4” | 140 | 115 | 16 | 67 | 48 | 100.7 | 12.5 | 3.14 |
Parameter
| Forged Steel Fittings Specification | ||||||
| Size | 1/8〞(DN6)to 4〞(DN100) | |||||
| Class | 3000LBS,6000LBS, 9000LBS. | |||||
| Connection Form | Socket Welding/Threaded | |||||
| Surface Treatment | Sand Blasting,Cold and Hot Dip Galvanized | |||||
| Manufacturing process | Cutting,Heat treatment,Die Forging/Free Forging,CNC Machining | |||||
| Manufacturing Standards | ASME B16.11,BS 3799,JIS B2316,GB/T14383,SH3410,HG/T21634 | |||||
| Material Grades | ||||||
| Carbon Steel | ASTM/ASNE A105,ASME A350 LF2 LF6 20#,Q235,Q345 | |||||
| Stainless Steel | ASTM F304,F304L,F316,F316L | |||||
| Duplex & Super Duplex Steel | ASTM A182-F51,F53,F55,S31803,S22253,S32205,S22053 | |||||
| Alloy Steel | ASTM F5,F9,F11,F22,F91 | |||||
| Copper Alloy Steel | ASTM/ASME SB466 UNS NO.C70600(CU/NI-90/10),C71500(CU/NI-70/30) | |||||
| Nickel Alloy | ASTM/ASME SB336,ASME SB564/160/163/472,UNS2200(NICKEL200)UNS2201(NICKEL201),UNS4400(MONEL400),UNS8020(ALLOY20/20 CB3),UNS8825 INCONEL(825),UNS6600(INCONEL600),UNS6601(INCONEL601),UNS6625(INCONEL625),UNS10276(HASTELLOY C276) | |||||
Process introduction


About delivery
