Stub End
Flanging refers to the forming of a straight wall or flange with a certain angle along the closed or unclosed curved edge on the plane or curved part of the blank by using the action of a die.
- Commodity name: Stub End
Product Introduction
Flanging refers to the forming of a straight wall or flange with a certain angle along the closed or unclosed curved edge on the plane or curved part of the blank by using the action of a die.
Flanging is a kind of stamping process There are many kinds of flanging and different classifications It can be divided into elongation flanging and compression flanging according to deformation properties.

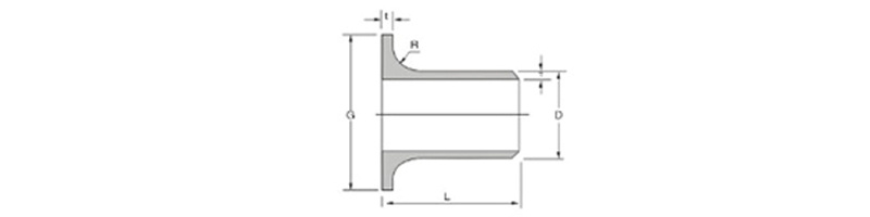
| Nominal diameter | End outer diameter | length | Fillet radius | Lap diameter | ||
| A Type | B Type | |||||
| D | MSS SP-43 | ASME | R | G | ||
| 1/2 | 21.3 | 50.8 | 76.2 | 3 | 0.8 | 35 |
| 3/4 | 26.7 | 50.8 | 76.2 | 3 | 0.8 | 42.9 |
| 1 1/4 | 33.4 | 50.8 | 101.6 | 3 | 0.8 | 50.8 |
| 1 1/2 | 42.2 | 50.8 | 101.6 | 4.8 | 0.8 | 63.5 |
| 1 | 48.3 | 50.8 | 101.6 | 6.4 | 0.8 | 73.2 |
| 2 1/2 | 60.3 | 63.5 | 152.4 | 7.9 | 0.8 | 91.9 |
| 2 | 73 | 63.5 | 152.4 | 7.9 | 0.8 | 104.6 |
| 3 1/2 | 88.9 | 63.5 | 152.4 | 9.6 | 0.8 | 127 |
| 3 | 101.6 | 76.2 | 152.4 | 9.6 | 0.8 | 139.7 |
| 4 | 114.3 | 76.2 | 152.4 | 11.2 | 0.8 | 157.2 |
| 5 | 141.3 | 76.2 | 203.2 | 11.2 | 1.6 | 185.7 |
| 6 | 168.3 | 88.9 | 203.2 | 12.7 | 1.6 | 215.9 |
| 8 | 219.1 | 101.6 | 203.2 | 12.7 | 1.6 | 269.7 |
| 10 | 273.1 | 127 | 254 | 12.7 | 1.6 | 323.9 |
| 12 | 323.9 | 152.4 | 254 | 12.7 | 1.6 | 381 |
| 14 | 355.6 | 152.4 | 304.8 | 12.7 | 1.6 | 412.8 |
| 16 | 406.4 | 152.4 | 304.8 | 12.7 | 1.6 | 469.9 |
| 18 | 457 | 152.4 | 304.8 | 12.7 | 1.6 | 533.4 |
| 20 | 508 | 152.4 | 304.8 | 12.7 | 1.6 | 548.2 |
| 22 | 599 | - | 304.8 | 12.7 | - | 641.4 |
| 24 | 609.6 | 152.4 | 304.8 | 12.7 | 1.6 | 692.2 |
Material
| Product | Pipe Fittings(Tee、Cross、Elbow、Reducer、Cap、Stub Ends) | |||||
| Standards | ASTM A234、ASTM A350、ASTM A335、EN10253-2、EN 10253-3、EN 10253-4、ASTM A420、ASTM A860、ASTM A403、ASME B16.9、MSS SP-75、ASME B16.11、MSS SP-97、MSS SP-95、GB/T 12459、SH/T 3408、SH/T 3410、GB/T 14383、GB/T 35072 | |||||
| Material | Material Grade | Material Standard |
Dimensions | |||
| WPB、WPC、WP5、WP9、WP11、WP12、WP22、WP91 | ASTM A234 | DN15(1/2")~DN3600 (144") | ||||
| LF2 | ASTM A350 | DN15(1/2")~DN3600(144") | ||||
| P5、P9、P12、P91 | ASTM A335 | DN15(1/2")~DN3600(144") | ||||
| P235TR1、P235TR2、P265TR1、P265TR2、P235GH、P265GH、16Mo3、P355N、P355NH、L290NB、L360NB、L415NB | EN 10253-2 | DN15(1/2")~DN3600 (144") | ||||
| 1.4301、1.4307、1.4401、1.4404、1.4541 | EN 10253-3、 EN10253-4 |
DN15(1/2")~DN3600(144") | ||||
| ST37.0、ST44.0、ST35.8 | DIN 2609-1 | DN15(1/2")~DN3600(144") | ||||
| WPL3、WPL6、WPL8 | ASTM A420 | DN15(1/2")~DN3600(144") | ||||
| WPHY 42、WPHY 46、WPHY 52、WPHY 60 WPHY 65、WPHY 70 |
ASTM A860 | DN15(1/2")~DN3600(144") | ||||
| WP304、WP304L、WP304H、WP316、WP316L、WP316H、WP316N、WP316TI、WP321、WP321H、WP347、WP347H、WP310、WP310S、WPS31254、WP317、WP317L、WP904、WP904L | ASTM A403 | DN15(1/2")~DN3600(144") | ||||
| CF370、CF415、CF415K、CF485、CF485K、AF11、AF11G、AF12、AF12G、AF14、AF22、AF22G、AF5、AF5G、AF9、AF9G、AF91、LF415K2、LF485K2、LF450K3、SF304、SF304L、SF316 SF316L、SF321、SF2225、SF2205、SF2507 |
GB/T 13401 | DN15(1/2")~DN1500 (60") | ||||
| 20、16Mn、15CrMo、12Cr1MoV、12Cr2Mo1、20MnMo、12Cr5Mo、10Cr9Mo1VNbN | NB/T 47008 | DN6~DN100 | ||||
| 16MnD、20MnMoD、09MnNiD、08MnNiCrMoVD | NB/T 47009 | DN6~DN100 | ||||
| 06Cr19Ni10/S30408、022Cr19Ni10/S30403、06Cr17Ni12Mo2/S31608、022Cr17Ni12Mo2/S31603 06Cr18Ni11Ti/S32168、07Cr18Ni11Nb/S34779 |
NB/T 47010 | DN6~DN100 | ||||
| S31803、S32205、S32750、S32760、WP430 | ASTM A815 | DN15(1/2")~DN3600 (144") | ||||
| WPHC276、NO8825、NO6625、MONEL 400/500、WPN、WPNL | ASTM B366 | DN15(1/2")~DN3600(144") | ||||
| ST35.8 | DIN 17175 | DN15(1/2")~DN3600(144") | ||||
| L245(B)、L290(42)、L320(X46)、L360(X52)、 L390(X56)、L415(X60)、L450(X65)、L485(X70) |
API 5L | DN15(1/2")~DN3600(144") | ||||
| UNS C70600、UNS C71500 | ASTM B466 | DN15(1/2")~DN3600(144") | ||||
| WPT1、WPT2、WPT3、WPT7、WPT9、WPT11、WPT12、WPT23 | ASTM B363 | DN15(1/2")~DN3600(144") | ||||
Process introduction


About delivery
